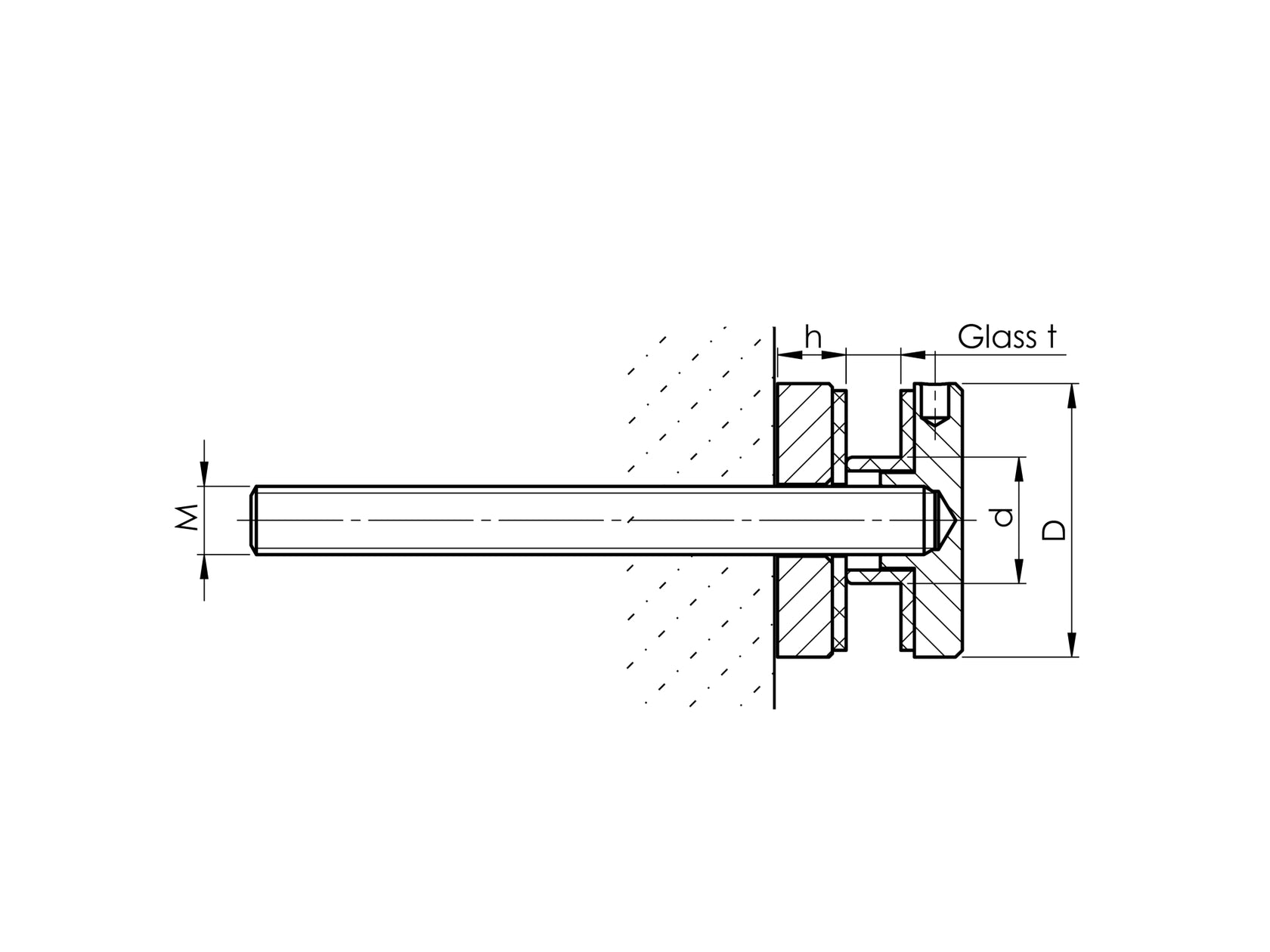
Parameters
Catalog list
Alternative products
Glass holder A/0748-000
Stock availability
Price history
Glass adapter A/0747-000
Stock availability
Price history
Glass holder A/0749-000
Stock availability
Price history
Key model 741-748 A19/model741-8
Stock availability
Price history
Chemical anchor 300ml - vinylester Q5/01GF-300
Stock availability
Price history
Inox anchor M10, L=140mm A19/27-M10
Stock availability
Price history
Threaded rod, stainless steel, AISI304, M10/L1000mm A-DIN 975 M10
