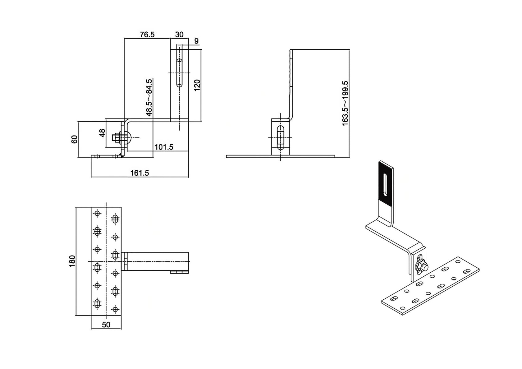
Materiál: Nerez AISI 304
Pre viac informácii kontaktujte nášho obchodníka:
Share:
Strešný hák 90°-set škridla keramika/betón
Montážny hliníkový profil R52-5000 SOL-R52-5000
Montážny set - 4 panely na šikmú škridlovú strechu SOL-SET-S-01
Spojka SFR-01 pre montážny profil R52 - set 1 SOL-SFR-01
Montážny hliníkový profil R52-5000 čierny SOL-R52-5000-B
Spojka SFR-01-B pre montážny profil R52 čierny - set 1 SOL-SFR-01-B
Tradícia už viac ako 30 rokov
Široká sieť predajní
Tovar skladom
Rýchle dodanie tovaru skladom